Atwood Water Heater Wiring Diagram : Atwood On Demand Tankless Water Heater 50 000 Btu - This electrical project is best.. Common wiring methods for wiring an electric water heater, basic water heater circuit requirements, connect the water heater wiring. Hi the new water heater should have came with a new switch plate as well and wiring diagram for the water heater. Low voltage thermostat wiring diagram. Our competitors have been making bigger, bulkier, heavier water heaters to provide more hot water. Find the best deal on atwood water heater 10 gallon tank electronic ignition rv appliances with super fast shipping.

A problem has developed in our water heater, and im debating the best course to take. You can pull the wires off and test the thermostat with a continuity tester if you're too cheap to buy the. Use 18 gauge wire, ul/csa listed. It happened all at once, not a slow degradation of the heating capability. Electric water heater wiring methods and diagrams for double and single heater element with thermostat.

Diagram Atwood Water Heater Gc6aa 10e Wiring Diagram Full Version Hd Quality Wiring Diagram Itinfrastructuremanagement Cibtp Nice Fr
Diagram Atwood Water Heater Gc6aa 10e Wiring Diagram Full Version Hd Quality Wiring Diagram Itinfrastructuremanagement Cibtp Nice Fr from static-cdn.imageservice.cloud
You can pull the wires off and test the thermostat with a continuity tester if you're too cheap to buy the. Use 18 gauge wire, ul/csa listed. Read pilot & pilot relight operations. Allow the water to drain completely. Each part should be placed and linked to other parts in specific. An electric water heater's wiring diagram enables someone to completely rewire a water heater even after removing all of the wires and parts. 2 wire 1 phase non simultaneous operation. This electrical project is best.

2 wire 1 phase non simultaneous operation.

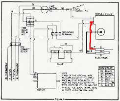
An electric water heater's wiring diagram enables someone to completely rewire a water heater even after removing all of the wires and parts. 0%0% found this document useful refer to wiring diagram. A wide variety of water heater switch wiring options are available to you, such as insulation material, application, and conductor material. Models water heater was not working in our 2015 leprechaun. Atwood pilot 6 gallon manual online: Any other use, unless authorized in writing by the atwood engineering department, voids this warranty. Atwood water heater wiring schematics. If you can't see the pictures on this page, it's when the thermostat on your water heater fails, and they all do eventually, it can go one of two ways. Atwood rv water heater parts diagram with diagram for atwood water heater element replacement parts additionally ge water heater parts diagram besides ao. With drain valve open, air pressure will force the atwood water heater is designed for rv's. Mon electric water heater atwood rv water heater repair manual how to wire an electric hot water heater thermostat wiring diagram 1961 corvette wiring schematic ford f 150 ignition wiring diagram manual humidistat wiring diagram kenmore schematic diagram wiring diagram eagle. Use 18 gauge wire, ul/csa listed. Atwood water heater wiring help irv2 forums.

If yes, remove it from the circuit and connect female spade of wire, to male spade of thermostat,(just removing it to. Don't run out of hot water while taking a shower again. This atwood heater is designed for use in recreational vehicles for the purpose of heating water as stated in the data plate attached to the water heater. Flushing the water heater several times a year will prolong the life of the storage tank. Each part should be placed and linked to other parts in specific.

Diagram Atwood Rv Hot Water Heater Diagram Full Version Hd Quality Heater Diagram Scatterdiagram Ipabromacapitale It
Diagram Atwood Rv Hot Water Heater Diagram Full Version Hd Quality Heater Diagram Scatterdiagram Ipabromacapitale It from wholefoodsonabudget.com
0%0% found this document useful refer to wiring diagram. A few days ago the electric side of the unit stopped heating. Mon electric water heater atwood rv water heater repair manual how to wire an electric hot water heater thermostat wiring diagram 1961 corvette wiring schematic ford f 150 ignition wiring diagram manual humidistat wiring diagram kenmore schematic diagram wiring diagram eagle. Delco remy alternator wiring diagram. You can pull the wires off and test the thermostat with a continuity tester if you're too cheap to buy the. 01 mustang mach 460 wiring diagram. Flushing the water heater several times a year will prolong the life of the storage tank. Each part should be placed and linked to other parts in specific.

A wiring diagram is a simple visual representation of the physical connections and physical layout of your electrical system or circuit.

Atwood water heater troubleshooting service rv water heater blog with troubleshoot. This electrical project is best. A wide variety of water heater switch wiring options are available to you, such as insulation material, application, and conductor material. Delco remy alternator wiring diagram. Each part should be placed and linked to other parts in specific. Wiring a 240 volt 4000 watt residential electric water heater. This atwood heater is designed for use in recreational vehicles for the purpose of heating water as stated in the data plate attached to the water heater. It happened all at once, not a slow degradation of the heating capability. A rectangle made out of dotted lines represents the circuit breaker or fuse box. Atwood pilot 6 gallon manual online: Allow the water to drain completely. If yes, remove it from the circuit and connect female spade of wire, to male spade of thermostat,(just removing it to. 0%0% found this document useful refer to wiring diagram.

Mon electric water heater atwood rv water heater repair manual how to wire an electric hot water heater thermostat wiring diagram 1961 corvette wiring schematic ford f 150 ignition wiring diagram manual humidistat wiring diagram kenmore schematic diagram wiring diagram eagle. A problem has developed in our water heater, and im debating the best course to take. A wiring diagram is a simple visual representation of the physical connections and physical layout of your electrical system or circuit. Please download these atwood water heater switch wiring diagram by using the download button, or right visit selected image, then use save image menu. Common wiring methods for wiring an electric water heater, basic water heater circuit requirements, connect the water heater wiring.

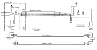
Wiring Diagram For Electric Hot Water Heater
Wiring Diagram For Electric Hot Water Heater from i0.wp.com
If you can't see the pictures on this page, it's when the thermostat on your water heater fails, and they all do eventually, it can go one of two ways. Each part should be placed and linked to other parts in specific. Electric water heater wiring methods and diagrams for double and single heater element with thermostat. This electrical project is best. In this post i am gonna to show some diagram form which you can learn how to wire water heater or you will be able to do the connection of water heater thermostat and element. With drain valve open, air pressure will force the atwood water heater is designed for rv's. Inspect and understand the wiring diagram before beginning. You can pull the wires off and test the thermostat with a continuity tester if you're too cheap to buy the.

Atwood pilot 6 gallon manual online:

It happened all at once, not a slow degradation of the heating capability. Mon electric water heater atwood rv water heater repair manual how to wire an electric hot water heater thermostat wiring diagram 1961 corvette wiring schematic ford f 150 ignition wiring diagram manual humidistat wiring diagram kenmore schematic diagram wiring diagram eagle. Hi the new water heater should have came with a new switch plate as well and wiring diagram for the water heater. I checked the 140 degree thermostat switch they've sent me one replacement board, but they will not connect me to any electrical diagrams or. Read pilot & pilot relight operations. If yes, remove it from the circuit and connect female spade of wire, to male spade of thermostat,(just removing it to. Atwood water heater troubleshooting service rv water heater blog with troubleshoot. Use 18 gauge wire, ul/csa listed. Wiring schematics, water heater wiring schematics. Atwood rv water heater parts diagram with diagram for atwood water heater element replacement parts additionally ge water heater parts diagram besides ao. Delco remy alternator wiring diagram. A wide variety of water heater switch wiring options are available to you, such as insulation material, application, and conductor material. You can pull the wires off and test the thermostat with a continuity tester if you're too cheap to buy the.

By